Tmega128的32路遙脈單元設計及應用
1 于宏業 2 任景瑞 3李海全
(1長春黃金設計院,吉林 長春 130012
3.江蘇安科瑞電器制造有限公司,江蘇 江陰 214405)
摘 要:介紹一款基于8位單片機ATmega128為主控芯片,具有接收32路脈沖信號輸入的ARTU-P32型遙脈單元設計原理,以及該產品主要技術指標與應用案例。
關鍵字:ATmega128芯片;遙脈單元;ARTU-P32型
0引言
隨著國家機關大樓、大型公共建筑能耗計量考核規范的推出,主要電氣干線加裝電能計量裝置已成為設計、審圖和竣工驗收的內容之一,有條件的省市還要建立能耗監測系統。
但已建樓宇主要電氣干線上一般安裝的往往是壁掛式機械電能表,不帶RS485通訊接口,拆除重裝智能表既造成浪費,又增加成本。本文介紹一款具有32路遙脈接點輸入的ARTU-P32,該裝置可接受32路有源或無源電能脈沖信號,把各路脈沖分別進行累加計數,再經通訊實現和上位機監控系統的數據交換,既不浪費原有電表,又實現電能集中抄表,減少人工抄表成本,提高管理效率。
1 電路設計原理
ARTU-P32遙脈單元硬件電路包括,主CPU芯片、撥碼開關設定輸入、實時時鐘、雙路RS485通訊、脈沖計數存儲、電源管理及看門狗控制、光電隔離輸入采集、供電電源模塊等8部分組成。(見圖1)

1.1 主控CPU
32路開關量信號采集單元(ARTU-P32)設計采用ATMEL公司的ATmega128,單芯片實現雙路RS485通訊、數據處理、脈沖記錄存取,顯示狀態控制等。ATmega128是ATMEL公司推出的一款8位RISC結構高速低功耗單片機,在16M時鐘頻率時系統性能可達16MIPS,內帶128k的Flash、4k的EEPROM、4k系統SRAM;可擴展64k外部存儲器;兩路UART通訊口。同時該芯片擁有JTAG在線編程口,方便用戶調試,降低了開發成本,53個可編程I/O口可以掛接足夠多的外圍設備。
1.2 撥碼開關設定輸入
撥碼開關提供用戶一個簡化的人機接口,用于設定RS485通訊中的地址、波特率、數據格式等設定功能,撥碼開關(SW1)的10位數據口都接10k電阻上拉到Vcc,電路使用一個74HC244(IC5)數據緩沖器,把撥碼開關的狀態傳送到8位數據總線,剩余兩根數據線則直接接到CPU的I/O端口。(見圖2)

1.3 實時時鐘
實時時鐘芯片RX-8025A(IC4)提供給系統當前時間數據,該芯片擁有400kHz 串行IIC總線接口,其內置的32.768 kHz 石英振蕩器,提供寬溫、高穩定性的實時時間數據。
1.4 通訊方式
通訊方式采用雙路RS485方式,調試及設定和上位機通訊部分在物理上分成兩路,互不干擾,有效防止可能存在的誤操作。(見圖3)

1.5 脈沖計數存儲
脈沖計數存儲器使用32k低功耗SRAM(IC3)IC61C256AH和后備電源形成一個斷電不丟失的數據存儲單元,使用數據鎖存器74HC373(IC2)和CPU的PC端口組成15位數據地址對IC3進行數據存儲操作。(見圖4)

1.6 
看門狗控制
掉電自動保存部分使用MAX691CWE(IC8)作為電源管理,在系統有輔助供電的情況下保證IC3由主電源Vcc供電,當主電源掉電時則自動切換到后備電池供電方式。同時此芯片還兼有看門狗功能,在系統死機的極端情況下及時復位CPU,使系統快速恢復至受控狀態。(見圖5)

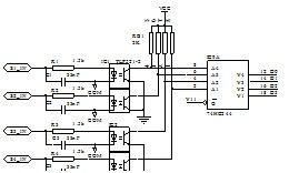
1.7 光電隔離的輸入信號狀態采集
外部開關信號采集使用光耦(IC1,IC2只畫出其中四路)作電器隔離,光耦輸出端使用一個數據緩沖器74HC244(IC9)對光耦輸出信號進行緩沖后傳送到CPU的數據總線供CPU讀取。(見圖6)

1.8 電源部分
電源模塊采用PI公司的開關電源芯片,輸入范圍為AC/DC 80-270V,電源共有3路輸出,分別給CPU,12V電源輸出、通訊等部分電路提供電源。
2 軟件設計
軟件流程見圖7

3 產品特點
ARTU-P32采用DIN35mm導軌安裝。前端帶通信指示和信號運行通道指示2組指示燈,32個通道掃描一周僅需時間為1ms,每個輸入通道可以最大計數到4294967296,同時帶GPS校時功能,可實現電能計數的凍結、解凍等功能,在外部電源掉電后可以保證脈沖數據記錄一個月內不丟失。通信有兩路RS485接口,一路用于通用參數的設置及調試,另一路用于和上位機通訊。產品頂端設有撥碼開關窗口,可通過撥碼開關設置產品通訊地址和波特率。產品符合JB/T10388-2002《帶總線通信功能的智能測控節點產品通用技術條件》、GB/T7261-2000《繼電器及裝置基本試驗方法》和GB/T13729-2002《遠動終端設備》標準。
4 技術指標
產品主要技術指標詳見表1

5 應用案例

以計量32個電氣干線電能為例,電能表為DTM862-2型,一次方案見圖8(a),電能脈沖采集二次見圖8(b)。使用傳統的機械式電能表附帶脈沖接口,利用智能化的脈沖接收裝置實現遠程集中式抄表功能。
